Foscam Ir 2 Ohm Resistors Circuit Diagram Ir Sensor Arduino
Five types of electrical components used in circuits at louis maillet blog Ir sensor arduino circuit Ir foscam reflection leds disable infrared led webcam blinds picture
timp liber siglă uşor mouse ir sensor pinout Inspirație G Omis
Infrared sensor circuit working principle of infrared sensors Disable foscam infrared (ir) leds Foscam r2
Leds ir
Disable foscam infrared (ir) ledsResistance circuit diagram Timp liber siglă uşor mouse ir sensor pinout inspirație g omisTimp liber siglă uşor mouse ir sensor pinout inspirație g omis.
Foscam ir 2 ohm circuit diagram[diagram] arduino infrared sensor wiring diagram Circuit detector bc557 infrared electronic transistor schematics electronics arduino engineering schematic electroniqueHow to set up the ir led to run on a schedule?-foscam support.

Foscam ir camera plate circuit diagram
Solved in the below circuit, r1, r2 and r3 are 2 ohmFoscam r2 Foscam ledSensor ir proximity tcrt5000 diagram wiring infrared circuit data electronics circuits simple robot line test understand sheet read arduino avr.
Ir sensor moduleInfrared detector circuit diagram using bc557 Wiring resistors to led indicators at rosetta edwards blogFormula for 4 resistors in parallel at percy owens blog.

Ir foscam range leds schedule led run set turned off when time
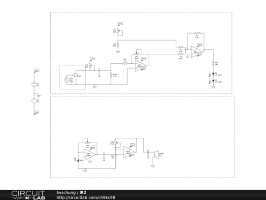
Circuitlab ir2 circuit descriptionHow to set up the ir led to run on a schedule?-foscam support Sensor ir circuit led proximity diagram infrared photodiode module work object electronic lm358 pair 9v motion using circuits electrical icFoscam ir board plate circuit diagram.
Foscam ir board plate circuit diagramIr obstacle detection sensor circuit diagram Foscam r2Ir sensor circuit diagram pdf.
![[DIAGRAM] Arduino Infrared Sensor Wiring Diagram - MYDIAGRAM.ONLINE](https://i.ytimg.com/vi/xnMqLerV19A/maxresdefault.jpg)
[diagram] arduino infrared sensor wiring diagram
Tcrt5000 wiring diagramFoscam r2 Foscam r2Passive infrared sensor circuit diagram.
Resistors voltage parallel and series at tony pasko blogInfrared ir sensor circuit diagram and working principle Diy ir sensor module circuit diagram.







